Suporte de Piso Fixo para Sinalização Digital VFM-F1
Pontos principais
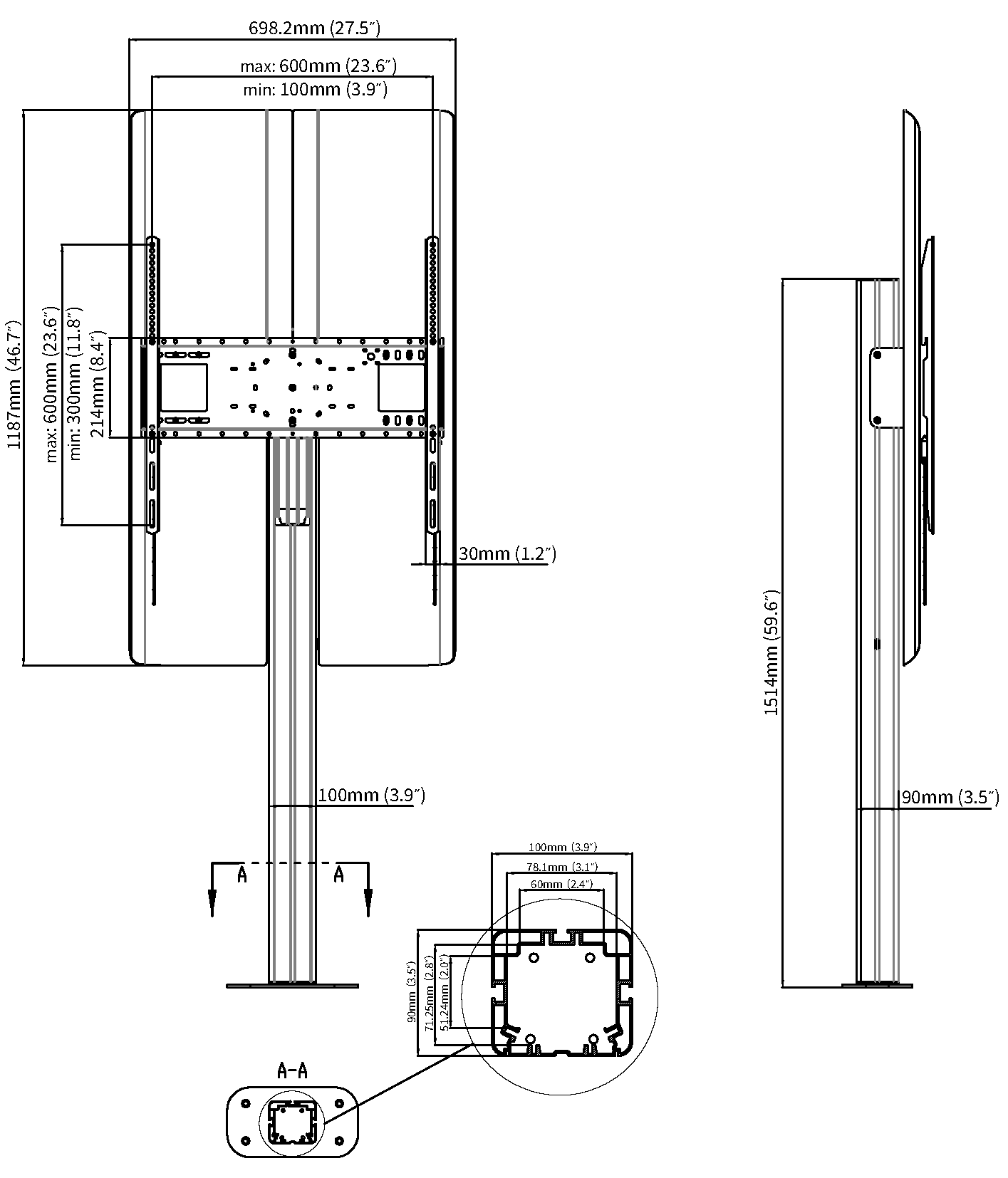
- Suporte de chão fixo para painéis planos de grande formato 55-85"
- (sujeito ao padrão VESA e limite de peso)
- Pontos de montagem até 600 (largura) x 400 mm (altura) de distância
- SWL 80 kg
- 1500 mm de altura
- Canal de gerenciamento de cabos
- Total 8
- EU 7
- UK 1
Vídeos
Formação
Introdução
No cenário de varejo de hoje, a sinalização digital tornou-se um elemento vital do design inovador. Esta solução elegantemente elaborada capacita os integradores de AV a criar, sem esforço, instalações dinâmicas e profissionais que cativam os compradores e elevam a experiência da marca.
Libere sua criatividade para criar exibições atraentes.
Funcionalidades
-
Pronto para o varejo
Perfeito para displays de vitrines de lojas ou qualquer aplicação de sinalização digital onde você pode ser criativo com os displays.
-
Opcional consecutivo
Este suporte vem com um suporte de parede, mas para aplicações que requerem dois monitores frente a frente, basta adicionar outro VFM-W6X4 ao outro lado do poste.
-
Capa Traseira
Uma tampa traseira curva oculta qualquer desordem.
-
Na vertical
Embora este suporte esteja otimizado para orientação retrato, nada impede que você o use na orientação paisagem, se preferir.
-
Pronto para sala de reunião
Muitas salas de reunião têm paredes nas quais você não pode fixar um display interativo pesado. Esta coluna fornece uma estrutura estável e resistente para instalar um display grande em qualquer lugar da sala.
-
Gerenciamento de Cabos
Um canal interno para cabos mede 60 x 75 mm, permitindo espaço para cabos de alimentação, etc.
Especificações
-
DIMENSÕES DO PRODUTO
Ver imagem
-
DIMENSÕES DA EMBALAGEM
1565 x 440 x 195 mm
-
PESO DO PRODUTO
29 kg
-
PESO EMBALADO
30 kg
-
CARGA DE TRABALHO SEGURA
80 kg
-
MATERIAL DE CONSTRUÇÃO
Coluna: Alumínio
Outras partes: Metal de Aço -
COR
Preto
-
GARANTIA
Retorno à base vitalício
-
REFERÊNCIA PARA PEDIDO
VFM-F1 [SKU: 11804295]
-
País de origem
China
-
ISO
ISO 9001:2015
Transferências
Product PDF
Manuals
CAD
Images
Onde comprar
Selecione uma região
-
AVITdirect
avitdirect.co.uk[email protected](0)1189 180 180 -
Capita Managed IT Solutions Limited
capita.com/expertise/education/education-services -
CBC Computer Systems Ltd
cbccomputers.com -
CCS Media Ltd
ccsmedia.com -
Dataspire Solutions Limited
dataspire.co.uk -
Drift IT Limited
clickdrift.com -
EBM
ebm.co.uk[email protected]020 7324 1990 -
Information & Data Networks
idns.co.uk -
JP-UK
jp-uk.co.uk[email protected]0161 474 1200 -
Nexus Associates (ICT) Ltd
flywheel-it.co.uk/nexus-associates -
Premier Farnell UK Ltd T/As CPC
cpc.farnell.com -
Projector Point
projectorpoint.co.uk -
Purple Cat
purple-cat.co.uk[email protected]01924 278464 -
The DMS Digital Group Ltd
thedmsgroup.co.uk -
Turn IT On Ltd
turniton.co.uk -
Vocosa
vocosa.com
Austria
-
Imatec Distributions GmbH
imatec.at -
Item österreich handel gmbh
item.at -
JT Computer Soft- u. Hardware
jtnext.at -
MarkIT GmbH
markit.eu/at -
MediaMarkt Innsbruck Ost GmbH
mediamarkt.at/de/store/innsbruck-ost-652
Belgium
-
B.I.M.F.
bimf.be[email protected]03 887 07 08 -
Didakta BV
didakta.be -
DUSTIN BELGIUM NV
dustin.be -
E.S.I. INFORMATIQUE
esi-informatique.com -
MIXVOIP
mixvoip.com -
NSI LUXEMBOURG PSF SA
nsi.lu -
Signpost België BVBA
signpost.be/nl-be -
Van Roey Automation NV
vanroey.be/en
Czech Republic
-
CSF, s.r.o.
csf.cz -
MarkIT.cz, s.r.o.
markit.eu/cz/cs/Default.aspx -
METROLOGIE SLOVAKIA s.r.o.
metrologie.sk -
VISUALWAY Promotion s.r.o.
visualway.cz[email protected]+420 241 403 480
Denmark
-
Atea A/S
atea.dk/eshop -
AV Center A/S
avcenter.dk -
Comm2IG A/S
comm2ig.dk -
EET Group A/S
eetgroup.com -
EG A/S
egsoftware.com -
Føniks Computer
fcomputer.dk[email protected]+45 42831386 -
Proshop A/S
proshop.dk
Estonia
-
REVERIE Trading Group, SIA
reverie.lv[email protected](+371) 67227742
Finland
-
ATEA FINLAND OY
atea.com -
DESK Peaknet Oy
desk.fi/en/services -
MARKIT FINLAND IT PROCUREMENT OY
markit.eu/fi -
TIETOKESKUS FINLAND OY
tietokeskus.fi/en
France
-
AVEM
avem-groupe.com -
CELERIS INFORMATIQUE
celeris.fr -
Econocom
store.econocom.com -
ENVIRONNEMENT SERVICE INFORMAT
esi-france.fr -
HELIAQ
heliaq.fr -
RAPIDHOME
rapidhome.fr -
SCC
lifecycle.scc.com -
TIBCO SERVICES
tibco.com -
VIDELIO
videlio.com/en
Germany
-
BÜTEMA AG
buetema-ag.de/en -
Converge Technology Solutions
convergetp.de -
HCinema GmbH
hcinema.de -
Insight Technology Solutions GmbH
de.insight.com/de_DE -
Jacob Elektronik GmbH
jacob.de -
M-Medientechnik GmbH
m-medientechnik.de -
Unite Procurement Deutschland AG
unite.eu/en-global -
Visunext
beamershop24.de/de
Iceland
-
Origo
origo.is
Ireland
-
Bits South East Ltd
bits.ie -
DCB Group (Service) Ltd
dcbgroup.com -
Extreme Computers Ltd
elara.ie -
GDK Network Systems Ltd
gdk.ie -
Hunt Office Technology Ltd
huntoffice.com -
Nostra Technologies Ltd
nostra.ie -
NSSL Ltd
nssl.ie -
Ortus Technology
theortusgroup.com -
Presidio
presidio.com -
Technology First Ltd
technologyfirst.ie/contact.html
Italy
-
A.DI.CO.M GROUP SRL
adicomgroup.com -
AYNO VIDEOCONFERENZE SRL
ayno.it/it -
HITECH DISTRIBUZIONE INFORMATICA S.
htdi.it -
IWS CONSULTING SRL
iwsconsulting.it -
MIPS INFORMATICA SPA
mips-informatica.com -
NUMERO 10 SPA
numero10.it -
Ricoh Italia
ricoh.it/index.html
Latvia
-
REVERIE Trading Group, SIA
reverie.lv[email protected](+371) 67227742
Lithuania
-
REVERIE Trading Group, SIA
reverie.lv[email protected](+371) 67227742
Netherlands
-
AVINTER B.V.
avinter.nl -
CHIPSOFT B.V.
chipsoft.com/en -
DE ROLF GROEP B.V.
derolfgroep.nl -
INTERFORCE NETWORKS B.V.
interforce.eu -
RICOH EUROPE SCM B.V.
ricoh-europe.com -
VIDEO SCHAAY B.V.
schaay-av.nl -
WORTELL MEET B.V.
wortell.nl/en -
ZBS EU B.V.
nl.zones.com
New Zealand
-
Vision Enhancement NZ Ltd
nzvision.co.nz0800 765 276
Norway
-
Advania Norge AS
advania.com -
Atea AS
atea.no/eshop -
Dustin Norway AS
dustin.no -
Eltele AS
serit.no/vare-kontorer/serit-eltele -
Expectit AS
expectit.no -
Expit AS
expit.no -
Foxway AS
foxway.com/en
Poland
-
AV Centrum S.C.
avcentrum.lublin.pl
Portugal
-
ESISTEMAS
esistemas.pt/pt -
GARRETT S A
garrett.pt/en -
INFORABREU LDA
inforabreu.pt -
SECRETSCREEN
secretscreen.pt
Slovakia
-
Datacomp s.r.o.
datacomp.sk -
VISUALWAY Promotion s.r.o.
visualway.cz[email protected]+420 241 403 480
Slovenia
-
TEKSEL d.o.o.
teksel.si/en
South Africa
-
Audioco
audicoonline.co.za -
DocQtech Solutions
docqtech.co.za -
Enra
enra.co.za -
Prosonic
prosonic.co.za -
Wela
weh.co.za
Spain
-
COMENSA
comensa.es -
Indeo
grupoindeo.es -
Indeo Informática S.L.L.
grupoindeo.es -
INDRA SISTEMAS, S.A
indracompany.com/en -
MAXVISUAL EQUIPOS AUDIOVISUALES,SL
maxvisual.es -
MICRO-BLANC INFORMATICA, S.L.
microblanc.es -
PENTATEL COMUNICACIONES, SL
pentatel.es -
RESOLUTIVE TIC, S.L.
resolutivetic.com -
SERVICIOS MICROINFORMATICA,S.A
semic.es -
SUSEO
suseo.es/visionaudiovisual -
Vistalegre Solutions Sl
vistalegre.com -
Xenon Computer
xenon.es
Sweden
-
ADVANIA SVERIGE AB
advania.se -
Atea Sverige AB
atea.se/eshop -
AVS i Sverige AB
avs.se/hem -
Dustin AB
dustin.se
Switzerland
-
Bechtle Logistics & Service AG
bechtle.com/ch-en -
Digitec Galaxus AG
galaxus.ch -
Eldar Store AG
eldar.ch -
Insight Technology Solutions AG
ch.insight.com/de_CH